沖壓模具開模的重要事項
沖壓模具開模的重要事項
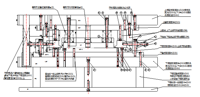
1.所有沖壓模具的外導柱規格需設定在Φ38以上,(導套釆用臺階式)
2.模板上的導柱,固定銷要有防呆設置; 超過400*400以上的沖壓模具固定銷要用Φ12,不論模板其內導柱規格必須設定在Φ20以上3.脫料板材質要釆用SKD11料,厚度為25MM;
4.所有上下模座板之吊模螺絲須釆用M20;
5.上下模座板長寬要大于上下模板單邊40~50MM,以方便架模;
6.當模板是300以上時,上下模座板厚度要求在(50-60)MM之間;模板在300以下時,上下模座板厚度為45MM;
7.上下模座板應根據實際需要,依據所使用機臺的T型槽尺寸加工出U型溝槽;
8.所有模具的螺絲要用公制牙;
9.擋塊要鑲入沖壓模具墊板內10.0MM深,擋塊的寬度要達到30~35MM,并裝Φ12的固定銷定位,擋塊外側需加補強塊,螺絲要三角形斜排,禁止直線排布;
10.所有壓塊,擋塊,推塊等不允許墊墊片,
下一篇:精密模具做得好,更要保養好
上一篇:連續模中對沖孔折彎模的開模有什么要求呢?
中文
English









